Archiv starého webu majitelů a příznivců Yamahy XJ
Přejít na obsah
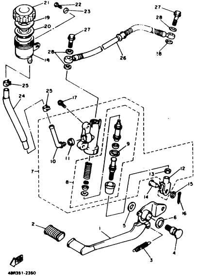
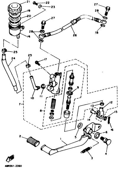
Zadní brzda - páka
polokapota XJ600S
Zpět na Kresby součástí XJ
Komentáře