Archiv starého webu majitelů a příznivců Yamahy XJ
Přejít na obsah
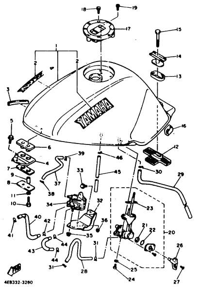
Palivová nádrž
Vačky a rozvodový řetěz
Zpět na Kresby součástí XJ
Komentáře