Archiv starého webu majitelů a příznivců Yamahy XJ
Přejít na obsah
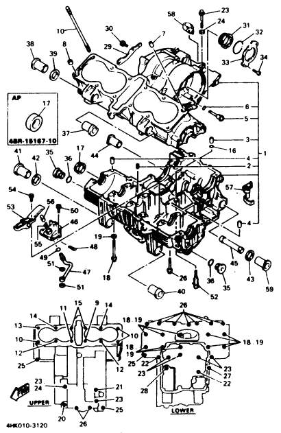
Blok motoru
Zadní kolo
Zpět na Kresby součástí XJ
Komentáře